
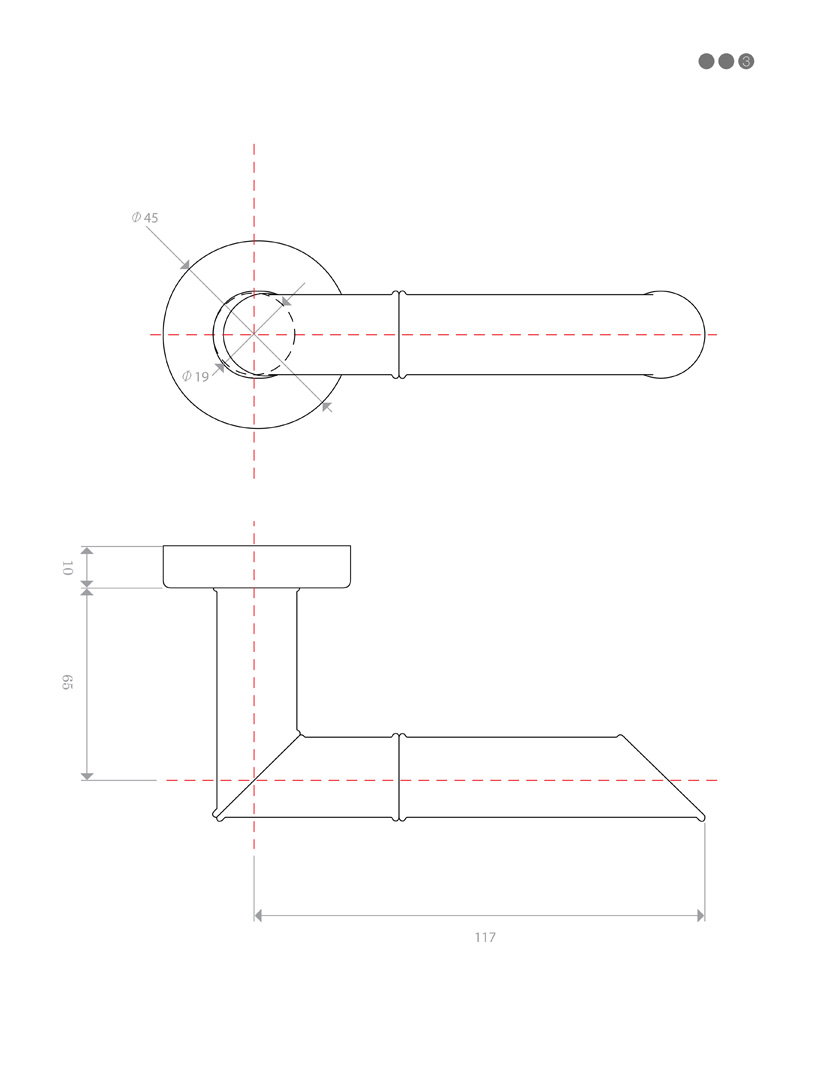
Relax by jangjeeyoung ms. from korea
designer's own words:
makes you feel reposedness of a bamboo grove. It is like walking through the bamboo grove and making you relax. A door handle which is motivated by bamboo, indirectly relax the mind and body for people who is living in a busy life.


shortlisted entries (4078)